|
|
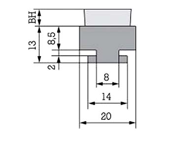
- Kluzný
profil zelený
- (pro zobrazení
výkresu klikněte na obrázek)
- Speciální
profilová lišta s ultravysokomolekulárního
polyetylenu s výbornými kluznými vlastnostmi a
vysokou odolností proti otěru. Používá se
jako svrchní vrstva pro pracovní stoly,
manipulační a skladovací plochy. Chrání
proti poškození při pohybu materiálu a
výrobků.
- Způsob upevnění - do
C-lišt, popřípadě přímo
přišroubováním na plochu.
- Dodávka
- v návinech cca 25m v jednom kuse. Minimalizace
odpadu a prořezu.
|
| |
|
|
|
- Kluzný
profil černý
- (pro zobrazení
výkresu klikněte na obrázek)
- Speciální
profilová lišta s ultravysokomolekulárního
polyetylenu s výbornými kluznými vlastnostmi a
vysokou odolností proti otěru. Používá se
jako svrchní vrstva pro pracovní stoly,
manipulační a skladovací plochy. Chrání
proti poškození při pohybu materiálu a
výrobků.
- Způsob
upevnění - do C-lišt, popřípadě přímo
přišroubováním na plochu.
- Dodávka
- v návinech cca 25m v jednom kuse. Minimalizace
odpadu a prořezu.
|
| |
|
|
|
- Kartáčový
profil
- (pro zobrazení
výkresu klikněte na obrázek)
- Speciální
profilová lišta s polyetylenu s kartáčovým
svrškem. Používá se jako svrchní vrstva pro
pracovní stoly, manipulační a skladovací
plochy. Chrání proti poškození při pohybu
materiálu a výrobků.
- Způsob
upevnění - do C-lišt, popřípadě přímo
přišroubováním na plochu.
- Dodávka
- v tyčích 2m.
|
| |
|
| |
|
| |
|